南京可以打跑的包吹养生馆,宁波高端海选喝茶VX,芜湖品茶QQ联系方式
门户首页
走进渤海
产品中心
新闻中心
企业资质
工程业绩
人力资源
在线留言
联系我们
产品列表
蝶阀
闸阀
截止阀
止回阀
球阀
过滤器
旋塞阀
减压阀
调节-平衡阀
柱塞阀
排气阀
其他阀门
快速导航
公司简介
企业文化
公司新闻
行业资讯
人才理念
企业招聘
>>
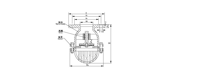
H42X-2.5型升降式底阀
用途:本阀安装在水泵吸水管路的底端,能自动阻止流体倒流。
上一页:
H12X-2.5型升降式底阀
下一页:
H71W/H/Y对夹式止回阀
公司名称:上海渤海阀门有限公司 公司地址:上海市嘉定区嘉松北路4558号 联系电话:021-69746026
传真:021-69746025 邮箱:
shbhvalve@163.com
网站建设 上海渤海技术部
站点地图
品质如金、质量为本、协同合作、互利共赢
沪公网安备 31011402008294号
ICP证:沪ICP备13024883号-1
主站蜘蛛池模板:
呈贡县
|
新沂市
|
吉林省
|
特克斯县
|
紫阳县
|
巴中市
|
象州县
|
珲春市
|
彰武县
|
墨脱县
|
九江县
|
额济纳旗
|
嘉荫县
|
托克逊县
|
肇庆市
|
旬阳县
|
晋州市
|
阜平县
|
泽普县
|
九龙城区
|
北碚区
|
无棣县
|
深泽县
|
勃利县
|
上饶县
|
淮安市
|
海林市
|
陈巴尔虎旗
|
呼伦贝尔市
|
宝鸡市
|
金昌市
|
凌源市
|
磐安县
|
安国市
|
安西县
|
建阳市
|
平度市
|
定襄县
|
广东省
|
丹巴县
|
花莲市
|